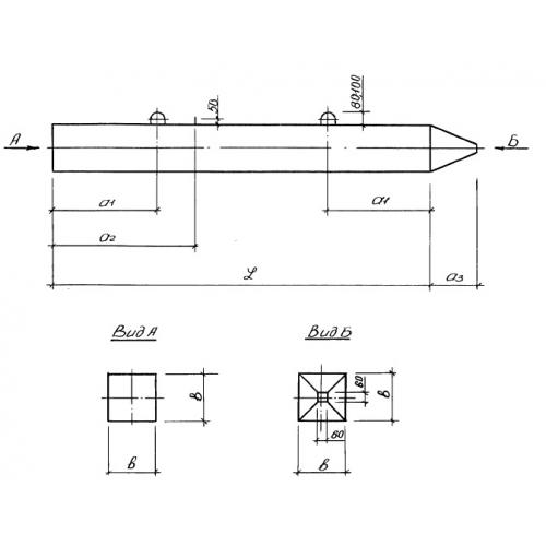
С 40.20

Чертеж изделия:
Характеристики изделия:
ПараметрЗначение
длина4000 мм
ширина200 мм
высота200 мм
масса430 кг
нормативный документСерия 1.011.1-10

С 40.20  Сваи общестроительные квадратного сплошного сечения Серия 1.011.1-10.