ЛР 13

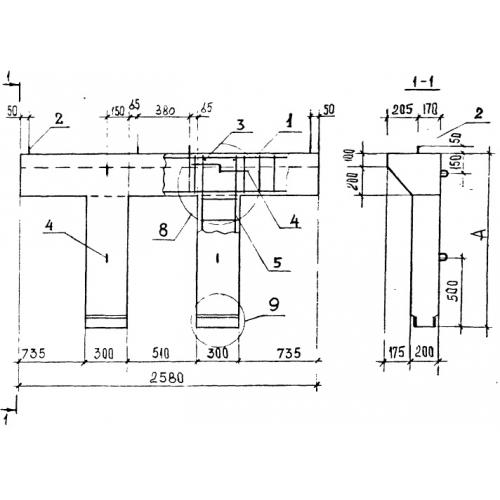
Чертеж изделия:
Характеристики изделия:
ПараметрЗначение
длина2580 мм
ширина1260 мм
высота375 мм
вес880 кг
серия1.050.1-3

ЛР 13 лестничные рамы по серии 1.050.1-3.