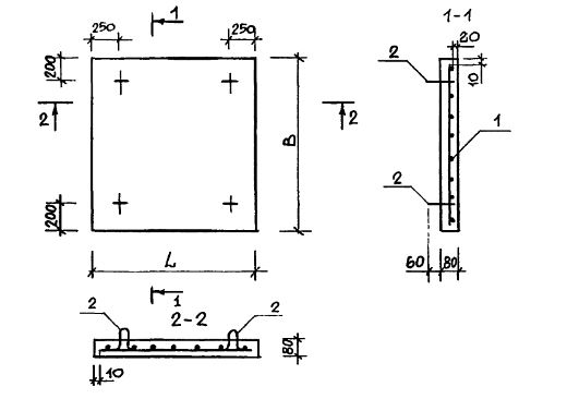
ЛП 15-2

Чертеж изделия:
Характеристики изделия:
ПараметрЗначение
длина1640 мм
ширина1540 мм
высота80 мм
масса500 кг
нормативный документСерия 1.050.9-4.93

ЛП 15-2  Площадочные плиты Серия 1.050.9-4.93.