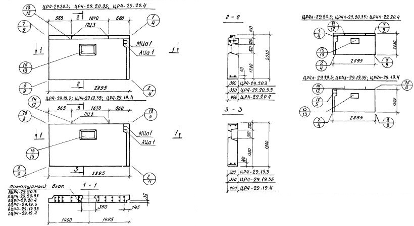
ЦР4-29.20.4

Чертеж изделия:
Характеристики изделия:
ПараметрЗначение
длина2895 мм
ширина400 мм
высота2030 мм
масса4030 кг
нормативный документСерия 1.117-13

Серия 1.117-13    Панели наружных цокольных стен групп ЦР1; ЦР4; ЦР5  толщиной 300, 350, 400 мм.

ЦР4-29.20.4  Панель наружных цокольных стен.

Р4 - группа изделия (рядовая с конструктивными особенностями).

Цифровое обозначение (цифры записаны через точку) указывает на габариты изделия (длина, высота, толщина) в дециметрах.

В несимметричных изделиях "правая" панель дополнительного индекса не имеет, в маркировке "левой" зеркальной панели после характеристики группы изделий проставляется буква "л".