В1.5-59.27.16-2.3л

Чертеж изделия:
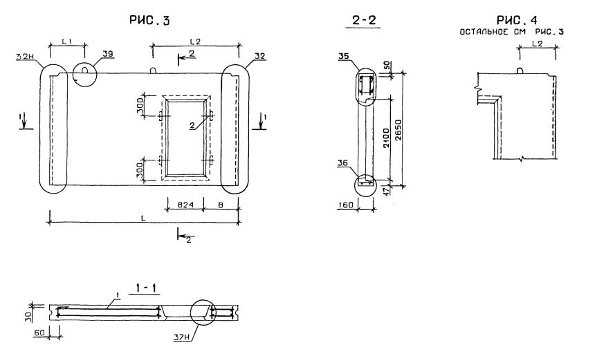
Характеристики изделия:
ПараметрЗначение
длина5920 мм
ширина160 мм
высота2650 мм
масса5520 кг
нормативный документСерия 1.131-1/82

Серия 1.131-1/82  Панели внутренних продольных стен толщиной 120 и160 мм.

В1.5-59.27.16-2.3л   Стеновая внутренняя панель. (рис. 3)

Буква обозначает вид изделия.  В - стеновая внутренняя панель.

Первая цифра - группа изделия.

Второе число - несущая способность в десятках тонн на 1 пог.м (условно).

Три последующих численных индекса (после тире) характеризуют геометрические размеры стеновой панели ( в дециметрах с округлением).

Последняя цифра - конкретный индекс данного изделия.

Последняя цифра добавляется в случае наличия проема и зависит от величины простенка ( 2.1 - 350 мм, 2.2 - 450 мм, 2.3 - 600 мм, 2.4 - 750 мм, 2.5 - 900 мм, 2.6 - 1200 мм, 2.7 - 1650 мм, 5 и 5л - 400 мм, 6.1 - 350 мм, 6.2 - 450 мм).