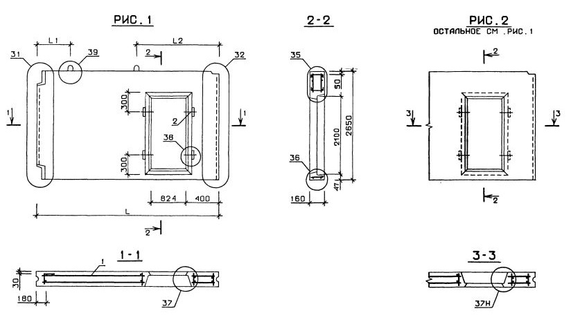
В2 5-58.27.16-2

Чертеж изделия:
Характеристики изделия:
ПараметрЗначение
длина5830 мм
ширина160 мм
высота2650 мм
масса5500 кг
нормативный документСерия 1.131-2/82

Серия 1.131-2/82  Панели внутренних поперечных стен толщиной 120 и 160 мм.

В2 5-58.27.16-2  Внутренняя стеновая панель.