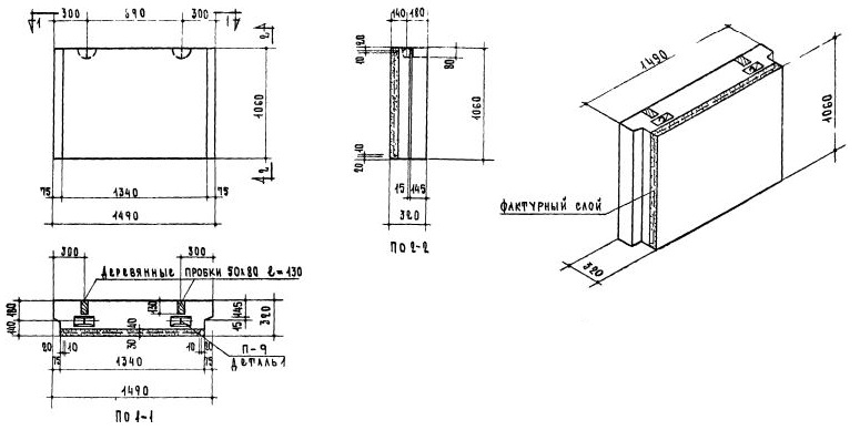
НБО-15.11.3

Чертеж изделия:
Характеристики изделия:
ПараметрЗначение
Длина1490 мм
Ширина320 мм
Высота1060 мм
Масса930 кг
Нормативный документСерия 1.133-1

Стеновые легкобетонные блоки толщиной 40 см по Серии 1.133-1.

НБО-15.11.3  Подоконный блок.