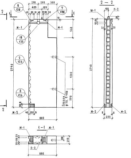
СБВ-9.2.28т-2

Чертеж изделия:
Характеристики изделия:
ПараметрЗначение
Длина880 мм
Ширина200 мм
Высота2740 мм
Масса1125 кг
Нормативный документСерия 1.134-1

Блоки внутренних  стен  по Серии 1.134-1.

СБВ-9.2.28т-2   Стеновой блок внутренний.