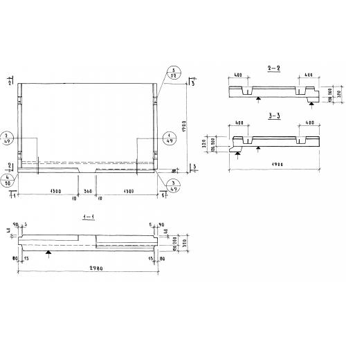
ЛП-30.18

Чертеж изделия:
Характеристики изделия:
ПараметрЗначение
длина2980 мм
ширина1900 мм
высота320 мм
вес2880 кг
серия1.152-7

ЛП-30.18 Лестничные площадки ребристые по серии 1.152-7.