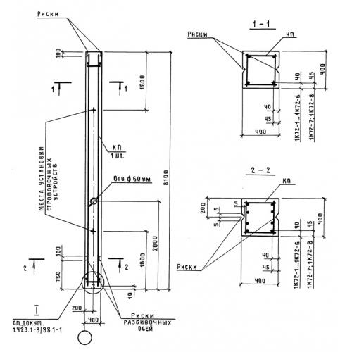
К 72 колонны
Характеристики изделия:
| Параметр | Значение |
|---|---|
| длина | 8100 мм |
| ширина | 400 мм |
| высота | 400 мм |
| масса | 3200 кг |
| нормативный документ | Серия 1.423-3 |
Цена:
Рассчитать стоимостьК 72 Колонны Серия 1.423-3.
| Параметр | Значение |
|---|---|
| длина | 8100 мм |
| ширина | 400 мм |
| высота | 400 мм |
| масса | 3200 кг |
| нормативный документ | Серия 1.423-3 |
К 72 Колонны Серия 1.423-3.
