ОП 8

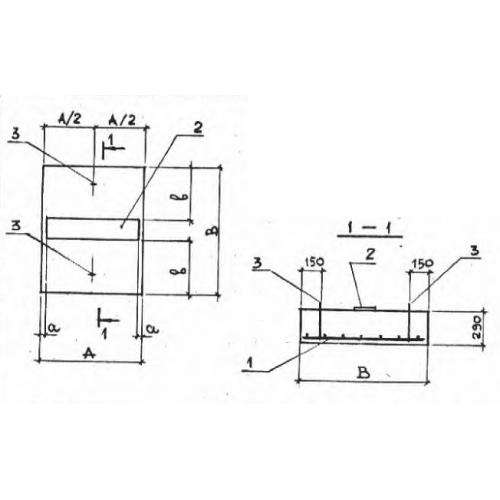
Чертеж изделия:
Характеристики изделия:
ПараметрЗначение
длина850 мм
ширина1050 мм
высота290 мм
масса650 кг
нормативный документСерия 3.006.1-2/82

ОП 8  Опорные подушки Серия 3.006.1-2/82.