П 22 д плиты лотков

Чертеж изделия:
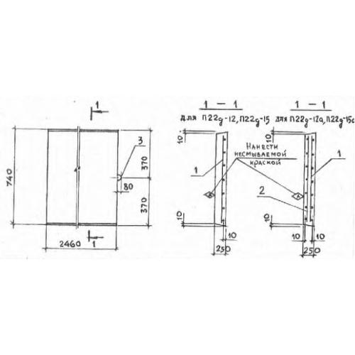
Характеристики изделия:
ПараметрЗначение
длина740 мм
ширина2460 мм
высота250 мм
масса1140 кг
нормативный документСерия 3.006.1-2/87

П 22д Плиты перекрытия лотков доборные Серия 3.006.1-2/87.