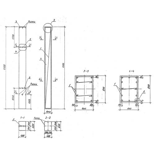
К 16 колонна сборная

Чертеж изделия:
Характеристики изделия:
ПараметрЗначение
длина8100 мм
ширина400 мм
высота600 мм
масса4900 кг
нормативный документСерия 3.015-1/92

К 16  Колонны сборные Серия 3.015-1/92.