ПФ 1а-1

Чертеж изделия:
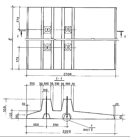
Характеристики изделия:
ПараметрЗначение
Длина2200 мм
Ширина2000 мм
Высота500 мм
Масса2600 кг
Нормативный документСерия 3.019.1-1

ПФ 1а-1  Плита фундаментная по Серии 3.019.1-1.