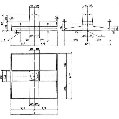
МФ 2 Малозаглубленный фундамент

Чертеж изделия:
Характеристики изделия:
ПараметрЗначение
длина2700 мм
ширина2000 мм
высота700 мм
масса2830 кг
нормативный документСерия 3.407.1-159

МФ 2  Малозаглубленные фундаменты по Серии 3.407.1-159.