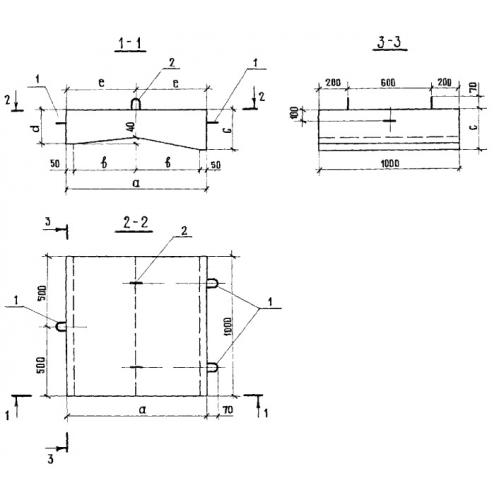
Б 1-24-100 блок

Чертеж изделия:
Характеристики изделия:
ПараметрЗначение
длина1000 мм
ширина1000 мм
высота290 мм
вес570 кг
серия3.503.1-66

Б 1-24-100  Прикромочные блоки бетонные по серии 3.503.1-66.