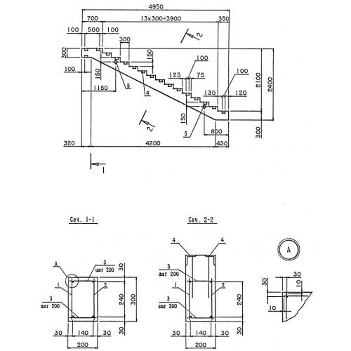
КЛ 495.210 Косоур лестничных сходов
Характеристики изделия:
| Параметр | Значение |
|---|---|
| длина | 4950 мм |
| ширина | 200 мм |
| высота | 300 мм |
| вес | 9750 кг |
| нормативный документ | Серия 3.503.1-96 |
Цена:
Рассчитать стоимостьКЛ 495.210 Косоуры лестничных сходов по Серии 3.503.1-96.
