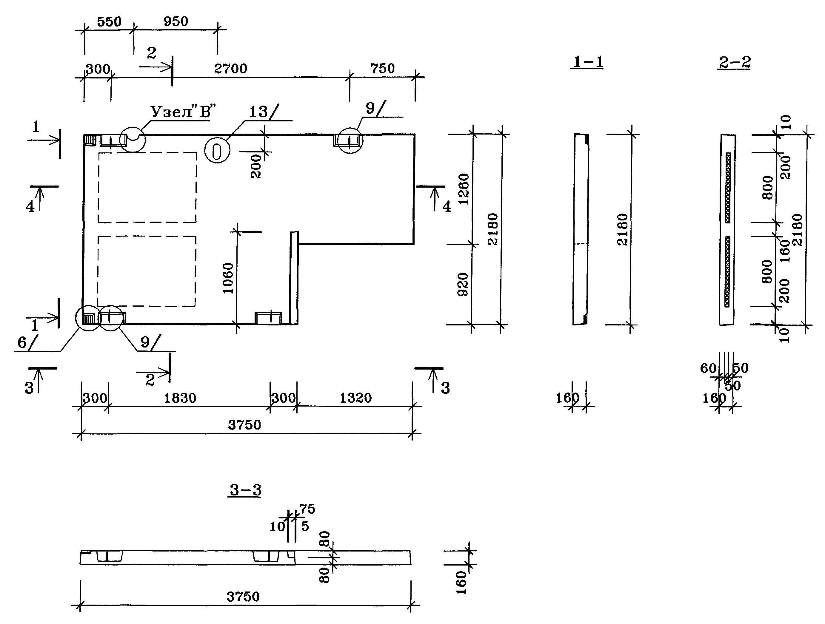
ПЛХ-6

Чертеж изделия:
Характеристики изделия:
ПараметрЗначение
Длина L3750 мм
Ширина В2130 мм
Высота Н160 мм
Вес2400 кг
СерияИЖ 4.2-1
Норма погрузки на машину (20тн)8 шт
Вагонная норма погрузки-

Плита лифтового холла ПЛХ-6 изготавливаются по чертежам серии ИЖ 4.2-1 и предназначены для возведения лестниц при строительстве жилых зданий с высотой потолка 3 метра.