К
Характеристики изделия:
| Параметр | Значение |
|---|---|
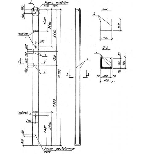
| длина | 12200 мм |
| ширина | 400 мм |
| высота | 400 мм |
| вес | 4875 кг |
| серия | ТП 901-5-38.87 |
Цена:
Рассчитать стоимостьК Колонны по проекту ТП 901-5-38.87.
| Параметр | Значение |
|---|---|
| длина | 12200 мм |
| ширина | 400 мм |
| высота | 400 мм |
| вес | 4875 кг |
| серия | ТП 901-5-38.87 |
К Колонны по проекту ТП 901-5-38.87.
